ACM-E2C

CAJA AC ENPHASE MONOFASICA 2 CIRCUITOS
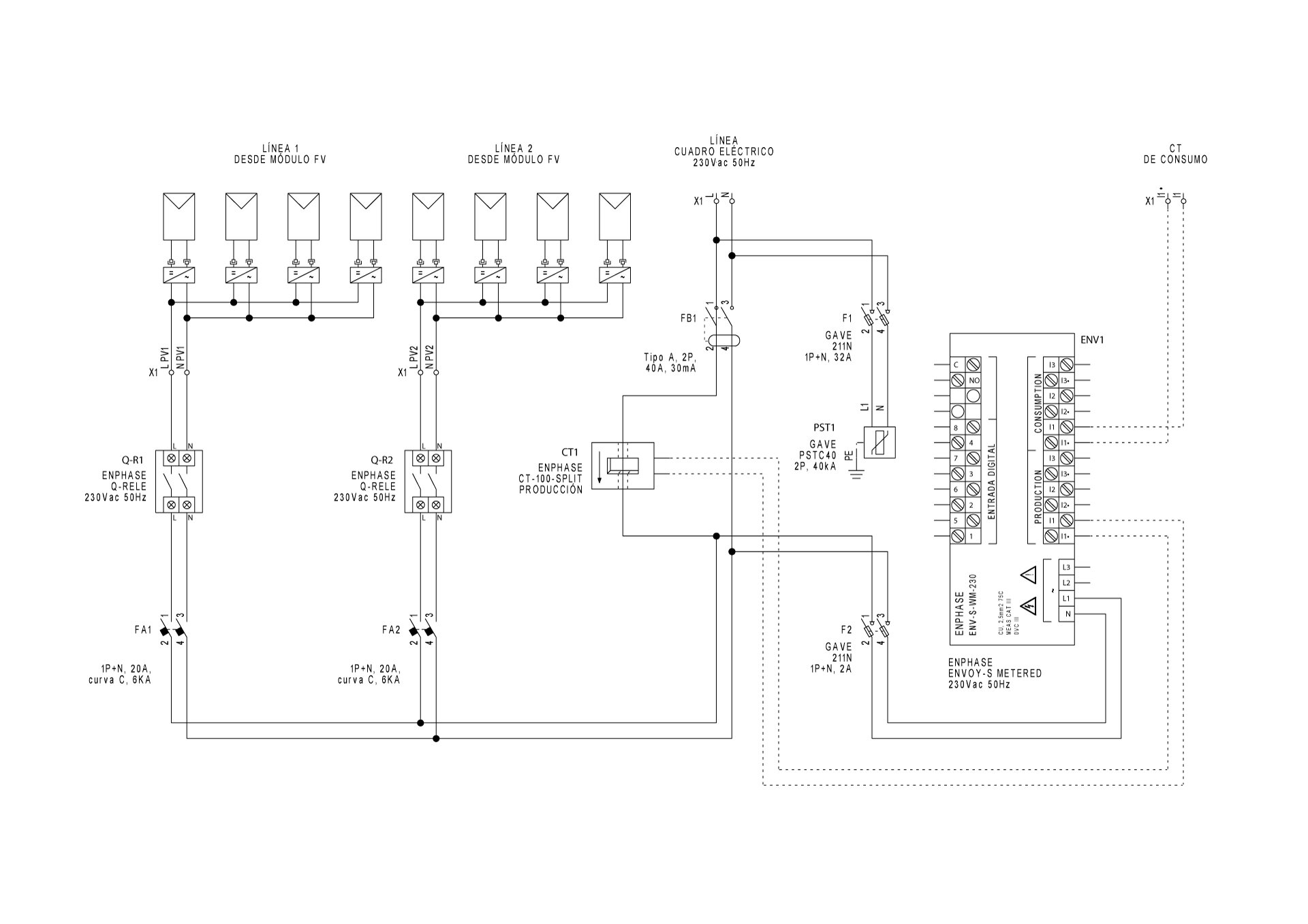
Caja modular de conexión monofásica para 2 circuitos, equipada con protección automática, diferencial y solución Enphase. Dos interruptores automáticos bipolares 20A curva C poder de corte 6kA - UNE-EN 60898-1. Interruptor diferencial bipolar tipo A sensibilidad 30mA para corrientes alternas con componentes de continua, protegido contra disparos intempestivos 0,25kA, UNE-EN 61008-1. Relé de control Enphase para evitar los desequilibrios en la red. Medidor de producción y consumo Enphase con protección fusible asociada. Caja en policarbonato de doble aislamiento clase II apto para uso exterior con una elevada resistencia a los impactos (IK08). Dimensiones de 436x418x148mm.
Código 029ACM-E2C
EAN 8430892317153
Datos técnicos cajas combinadoras
Interruptor automático 2 x 20A
Curva C
Poder de corte EN 60898-1 6 kA
Diferencial tipo A - 30mA (EN 61008-1)
Dispositivos Enphase Q Relay + Envoy
Transformadores Enphase CT Production + CT Consumption
Tipo de red 1P+N
Tipo diferencial 30mA
Código del protector PSTC40
Protección sobretensiones (tipo) II
IP IP65 - IEC 60529
IK IK08 - IEC 62262
Dimensiones
Alto producto 436 mm
Ancho producto 418 mm
Largo producto 148 mm
Peso producto (kg) 6.38
Datos logísticos
Código arancelario 85371098

¿QUIERES SABER MÁS DE ESTE PRODUCTO?

De acuerdo con la la Ley Orgánica 3/2018, de 5 de diciembre, de Protección de Datos Personales y Garantía de los Derechos Digitales (LOPDGDD), los datos personales recogidos en el presente formulario serán objeto de tratamiento por parte de GAVE con la finalidad de ponernos en contacto con usted y ofrecer una respuesta a las consultas planteadas por medio del presente formulario. La base legal para el tratamiento de sus datos es su consentimiento, el desarrollo de medidas precontractuales o contractuales, el cumplimiento de obligaciones legales y/o el interés legítimo de GAVE.

Se podrán ejercer los derechos de acceso, supresión, rectificación, oposición, portabilidad o limitación mediante correo electrónico a rgpd@gave.org. Puede contactar con nuestro delegado de protección de datos en dpd@gave.com.

En todo caso, los interesados tienen el derecho de presentar una reclamación ante la Autoridad de Protección de Datos correspondiente. Los datos personales proporcionados se conservarán por el periodo legal o contractualmente previsto, o mientras se mantenga el consentimiento del interesado. No se hará cesión de los datos recogidos, excepto por obligación legal o cesiones autorizadas por ley. Rogamos comunique de forma inmediata cualquier cambio o modificación que se produzca en relación a los datos que nos ha proporcionado, con el fin de que estos respondan con veracidad a su situación personal en todo momento.