AES112000

CONMUTADOR D0 25A 1 MANDO 1 SEÑAL

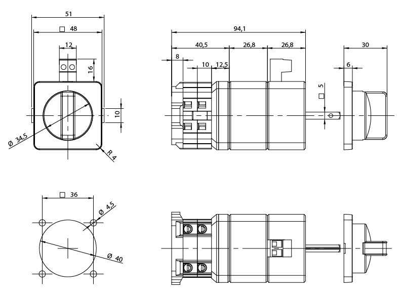
Conmutador de mando y señalización de compañía, modelo de empuje y giro con retorno. Fijación 36x36 y agujero central de diámetro 40. Frontal luminoso mediante leds de luz blanca, alimentación multitensión 24-240Vac / 24-150Vdc. 1 contacto de mando y 1 contacto de señal de 25A. Conexión por bornes de jaula de 1,5-6mm2

Código 009AES112000
EAN 8430892244114
Datos logísticos
Código arancelario 85365080
Código Etim EC002611
Unidades embalaje 1
Alto embalaje (mm) 123
Ancho embalaje (mm) 68
Largo embalaje (mm) 68
Datos técnicos
Intensidad de empleo (Ie) 25 A
Intensidad térmica al aire (Ith) 25 A
Sección de cable (AWG) 10
Hilo rígido 2,5 - 6 mm2
Cable flexible 2,5 - 6 mm2
Par de apriete 1,6 Nm
Tornillos de conexión M4
Terminal Terminal
Calibre máx. de fusible gG/aM

25/25 A (415 V)

25/25 A (500 V)

Intensidad eficaz de cortocircuito (Icc)

6 kA (415 V)

6 kA (500 V)

Tensión de aislamiento (V~) 690
Tensión de aislamiento (V...) 400
Cargas resistivas AC-21A

7,5 kW (3x230 V)

15 kW (3x415 V)

18,5 kW (3x500 V)

Cargas mixtas AC-22A

7,5 kW (3x230 V)

15 kW (3x415 V)

18,5 kW (3x500 V)

Carga de motores AC-23A

5,5 kW (3x230 V)

7,5 kW (3x415 V)

11 kW (3x500 V)

UL 508 Manual motor controller

2 hp 1-fase (110-120 V)

3 hp 1-fase (220-240 V)

2 hp 3-fase (220-240 V)

3 hp 3-fase (380-415 V)

5 hp 3-fase (440-480 V)

7 hp 3-fase (550-600 V)

Norma

IEC 60947-3

UL 508

¿QUIERES SABER MÁS DE ESTE PRODUCTO?

De acuerdo con la la Ley Orgánica 3/2018, de 5 de diciembre, de Protección de Datos Personales y Garantía de los Derechos Digitales (LOPDGDD), los datos personales recogidos en el presente formulario serán objeto de tratamiento por parte de GAVE con la finalidad de ponernos en contacto con usted y ofrecer una respuesta a las consultas planteadas por medio del presente formulario. La base legal para el tratamiento de sus datos es su consentimiento, el desarrollo de medidas precontractuales o contractuales, el cumplimiento de obligaciones legales y/o el interés legítimo de GAVE.

Se podrán ejercer los derechos de acceso, supresión, rectificación, oposición, portabilidad o limitación mediante correo electrónico a rgpd@gave.org. Puede contactar con nuestro delegado de protección de datos en dpd@gave.com.

En todo caso, los interesados tienen el derecho de presentar una reclamación ante la Autoridad de Protección de Datos correspondiente. Los datos personales proporcionados se conservarán por el periodo legal o contractualmente previsto, o mientras se mantenga el consentimiento del interesado. No se hará cesión de los datos recogidos, excepto por obligación legal o cesiones autorizadas por ley. Rogamos comunique de forma inmediata cualquier cambio o modificación que se produzca en relación a los datos que nos ha proporcionado, con el fin de que estos respondan con veracidad a su situación personal en todo momento.