56MAC4120

CONMUTADOR MOTORIZADO 4P x 1250A
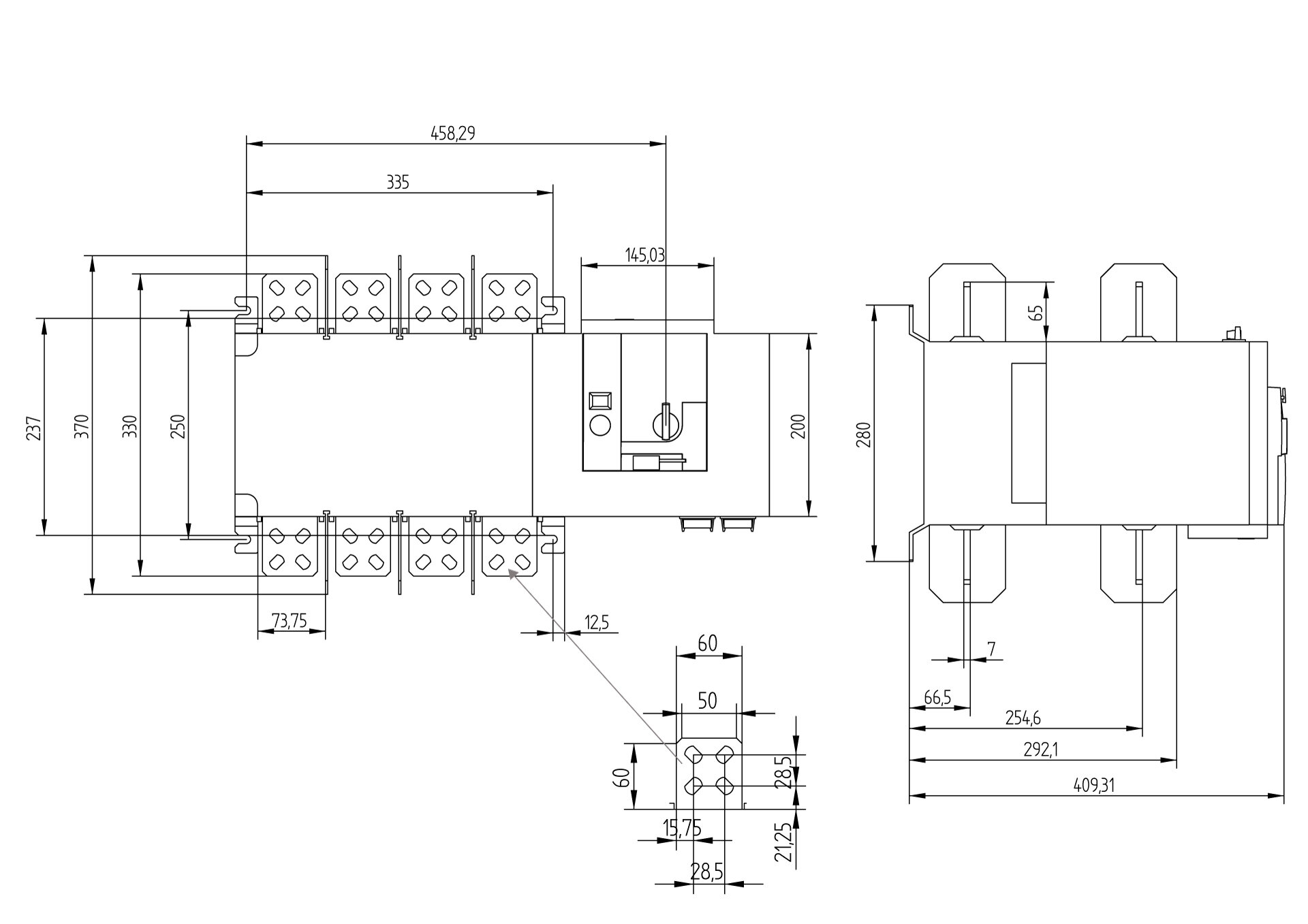
Conmutador motorizado 1-0-2 de la serie 56MAC de 4 polos 1250A. Tamaño B6 de medidas 330x584x392. Opera en cargas AC-23A 500V y cargas AC31/33 415V. Alimentación de la motorización 230V (166/332). Utiliza una lógica de control por impulsos. Las altas prestaciones de los materiales utilizados le confieren una alta resistencia térmica y dinámica. Accesoriable con pletinas de puenteado, contactos auxiliares, cubrebornes, pantallas de protección, barreras de separación de fases.
Código 01756MAC4120
EAN 8430892293594
Datos técnicos
Nr. Polos 4
Intensidad térmica al aire (Ith) 1250 A
Tensión de impulso (Uimp) 12 kV
Sección mín. pletinas Cu

2x60x5 mm2

Sección máx. cables Cu

4x185 mm2

Ancho máx. pletina Cu

100 mm2

Par de apriete 40/45 Nm
Intensidad de cortocircuito prevista (rms) 100 kA
Intensidad admisible 1s (Icw) 35 kA
Norma IEC 60947-3

¿QUIERES SABER MÁS DE ESTE PRODUCTO?

De acuerdo con la la Ley Orgánica 3/2018, de 5 de diciembre, de Protección de Datos Personales y Garantía de los Derechos Digitales (LOPDGDD), los datos personales recogidos en el presente formulario serán objeto de tratamiento por parte de GAVE con la finalidad de ponernos en contacto con usted y ofrecer una respuesta a las consultas planteadas por medio del presente formulario. La base legal para el tratamiento de sus datos es su consentimiento, el desarrollo de medidas precontractuales o contractuales, el cumplimiento de obligaciones legales y/o el interés legítimo de GAVE.

Se podrán ejercer los derechos de acceso, supresión, rectificación, oposición, portabilidad o limitación mediante correo electrónico a rgpd@gave.org. Puede contactar con nuestro delegado de protección de datos en dpd@gave.com.

En todo caso, los interesados tienen el derecho de presentar una reclamación ante la Autoridad de Protección de Datos correspondiente. Los datos personales proporcionados se conservarán por el periodo legal o contractualmente previsto, o mientras se mantenga el consentimiento del interesado. No se hará cesión de los datos recogidos, excepto por obligación legal o cesiones autorizadas por ley. Rogamos comunique de forma inmediata cualquier cambio o modificación que se produzca en relación a los datos que nos ha proporcionado, con el fin de que estos respondan con veracidad a su situación personal en todo momento.