56VM4006

CONMUTADOR MODULAR VM I-0-II 4P x 63A
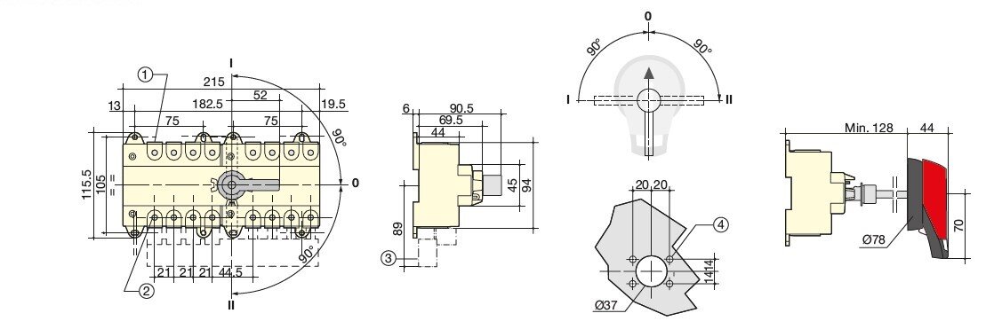
Conmutador modular 4 polos 63A con corte plenamente aparente y visibilidad de los contactos. Fijación sobre carril Din o placa de fondo armario compatible con cuadro modular con apertura frontal de 45mm. Medidas 115x215x70. Conexionado mediante bornes de jaula 4-50mm2. Se suministra sin mando, accesoriable con mandos, ejes prolongados, puentes de unión y contactos auxiliares.
Código 01756VM4006
EAN 8430892284653
Datos técnicos
Nr. Polos 4
Intensidad térmica al aire (Ith) 63 A
Tensión de impulso (Uimp) 8 kV
Sección mín. cables Cu

4 mm2

Hilo rígido

50 mm²

Cable flexible

35 mm²

Par de apriete 6 Nm
Intensidad de cortocircuito prevista (rms) 100 kA
Calibre de fusible asociado 63 A
Intensidad admisible 1s (Icw) 2,5 kA
Peso 1,4 Kg
Intensidad admisible 0,3s (Icw) 4,5 kA
Norma IEC 60947-3
AC 21 B (690 V) 63/63
AC 21 B (400 V) 63/63
AC 23 B (400 V) 63/63
DC 22 B (220 V) 63/63
Tensión de empleo (Ue) 400 VCA
Durabilidad eléctrica 10000

¿QUIERES SABER MÁS DE ESTE PRODUCTO?

De acuerdo con la la Ley Orgánica 3/2018, de 5 de diciembre, de Protección de Datos Personales y Garantía de los Derechos Digitales (LOPDGDD), los datos personales recogidos en el presente formulario serán objeto de tratamiento por parte de GAVE con la finalidad de ponernos en contacto con usted y ofrecer una respuesta a las consultas planteadas por medio del presente formulario. La base legal para el tratamiento de sus datos es su consentimiento, el desarrollo de medidas precontractuales o contractuales, el cumplimiento de obligaciones legales y/o el interés legítimo de GAVE.

Se podrán ejercer los derechos de acceso, supresión, rectificación, oposición, portabilidad o limitación mediante correo electrónico a rgpd@gave.org. Puede contactar con nuestro delegado de protección de datos en dpd@gave.com.

En todo caso, los interesados tienen el derecho de presentar una reclamación ante la Autoridad de Protección de Datos correspondiente. Los datos personales proporcionados se conservarán por el periodo legal o contractualmente previsto, o mientras se mantenga el consentimiento del interesado. No se hará cesión de los datos recogidos, excepto por obligación legal o cesiones autorizadas por ley. Rogamos comunique de forma inmediata cualquier cambio o modificación que se produzca en relación a los datos que nos ha proporcionado, con el fin de que estos respondan con veracidad a su situación personal en todo momento.