AR01

RELE DE ALTERNANCIA

Relé de alternancia AR01 para 2 bombas. Conmuta alternativamente dos salidas (grupos de bombas, compresores, etc) a cada impulso de señal externa. Bitensión 230/400 V AC. Montaje sobre carril DIN. Ancho 2 módulos (35 mm). Consumo 2 VA. Poder de corte contactos salida 8 A/250 V AC cosφ=1. LEDs indicadores del estado de los relés. Tiempo mínimo de conmutación 0,5 s.

Código 004AR01
EAN 8430892107419
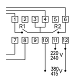
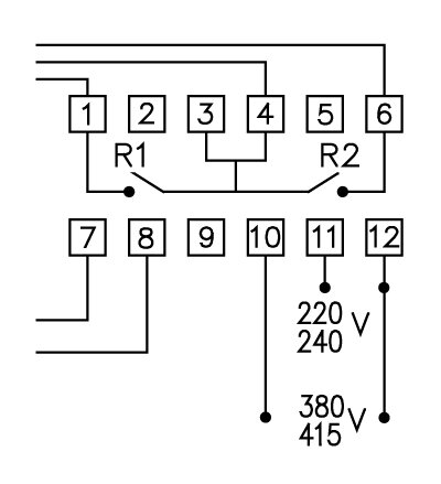
Diagramas
Diagrama eléctrico Diagrama eléctrico
Diagrama de funcionamiento Diagrama de func
Datos logísticos
Código arancelario 85364900
Código Etim EC000188
Unidades embalaje 1
Peso bruto producto (kg) 0.18
Alto embalaje (mm) 40
Ancho embalaje (mm) 65
Largo embalaje (mm) 100
Datos técnicos
Norma

IEC 60255-27

IEC 6100-6-3

¿QUIERES SABER MÁS DE ESTE PRODUCTO?

De acuerdo con la la Ley Orgánica 3/2018, de 5 de diciembre, de Protección de Datos Personales y Garantía de los Derechos Digitales (LOPDGDD), los datos personales recogidos en el presente formulario serán objeto de tratamiento por parte de GAVE con la finalidad de ponernos en contacto con usted y ofrecer una respuesta a las consultas planteadas por medio del presente formulario. La base legal para el tratamiento de sus datos es su consentimiento, el desarrollo de medidas precontractuales o contractuales, el cumplimiento de obligaciones legales y/o el interés legítimo de GAVE.

Se podrán ejercer los derechos de acceso, supresión, rectificación, oposición, portabilidad o limitación mediante correo electrónico a rgpd@gave.org. Puede contactar con nuestro delegado de protección de datos en dpd@gave.com.

En todo caso, los interesados tienen el derecho de presentar una reclamación ante la Autoridad de Protección de Datos correspondiente. Los datos personales proporcionados se conservarán por el periodo legal o contractualmente previsto, o mientras se mantenga el consentimiento del interesado. No se hará cesión de los datos recogidos, excepto por obligación legal o cesiones autorizadas por ley. Rogamos comunique de forma inmediata cualquier cambio o modificación que se produzca en relación a los datos que nos ha proporcionado, con el fin de que estos respondan con veracidad a su situación personal en todo momento.