HN1PARA

HIDRONIVEL SIMPLE CON ALTERNANCIA Y ALARMA

Interruptor de nivel simple para pozo con alternancia, simultaneidad y alarma. Enchufable sobre base undecal. Versión protegida a 2500 V cresta, tanto la entrada de la alimentación como la entrada de las sondas (equivalente a las perturbaciones producidas por la caída de un rayo en la red). Bitensión 230/400 V AC. Montaje sobre perfil DIN o sobre panel. Ancho 4 módulos (70 mm). Consumo 2,5 VA. Poder de corte contactos salida 6 A/250 V AC cosφ=1. Sensibilidad ajustable. Indicación LED de las sondas de nivel. Función Start/Stop. Función OVR/Test.

Código 004HN1PARA
EAN 8430892283793
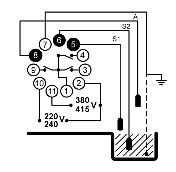
Diagramas
Diagrama eléctrico Diagrama eléctrico
Diagrama de funcionamiento Diagrama de func
Datos logísticos
Código arancelario 90268020
Código Etim EC001447
Unidades embalaje 1
Peso bruto producto (kg) 0.38
Alto embalaje (mm) 75
Ancho embalaje (mm) 80
Largo embalaje (mm) 95
Datos técnicos
Norma

IEC 60255-27

IEC 6100-6-3

¿QUIERES SABER MÁS DE ESTE PRODUCTO?

De acuerdo con la la Ley Orgánica 3/2018, de 5 de diciembre, de Protección de Datos Personales y Garantía de los Derechos Digitales (LOPDGDD), los datos personales recogidos en el presente formulario serán objeto de tratamiento por parte de GAVE con la finalidad de ponernos en contacto con usted y ofrecer una respuesta a las consultas planteadas por medio del presente formulario. La base legal para el tratamiento de sus datos es su consentimiento, el desarrollo de medidas precontractuales o contractuales, el cumplimiento de obligaciones legales y/o el interés legítimo de GAVE.

Se podrán ejercer los derechos de acceso, supresión, rectificación, oposición, portabilidad o limitación mediante correo electrónico a rgpd@gave.org. Puede contactar con nuestro delegado de protección de datos en dpd@gave.com.

En todo caso, los interesados tienen el derecho de presentar una reclamación ante la Autoridad de Protección de Datos correspondiente. Los datos personales proporcionados se conservarán por el periodo legal o contractualmente previsto, o mientras se mantenga el consentimiento del interesado. No se hará cesión de los datos recogidos, excepto por obligación legal o cesiones autorizadas por ley. Rogamos comunique de forma inmediata cualquier cambio o modificación que se produzca en relación a los datos que nos ha proporcionado, con el fin de que estos respondan con veracidad a su situación personal en todo momento.