MN55241-0

INTERRUPTOR 3P M5 D.1 40A
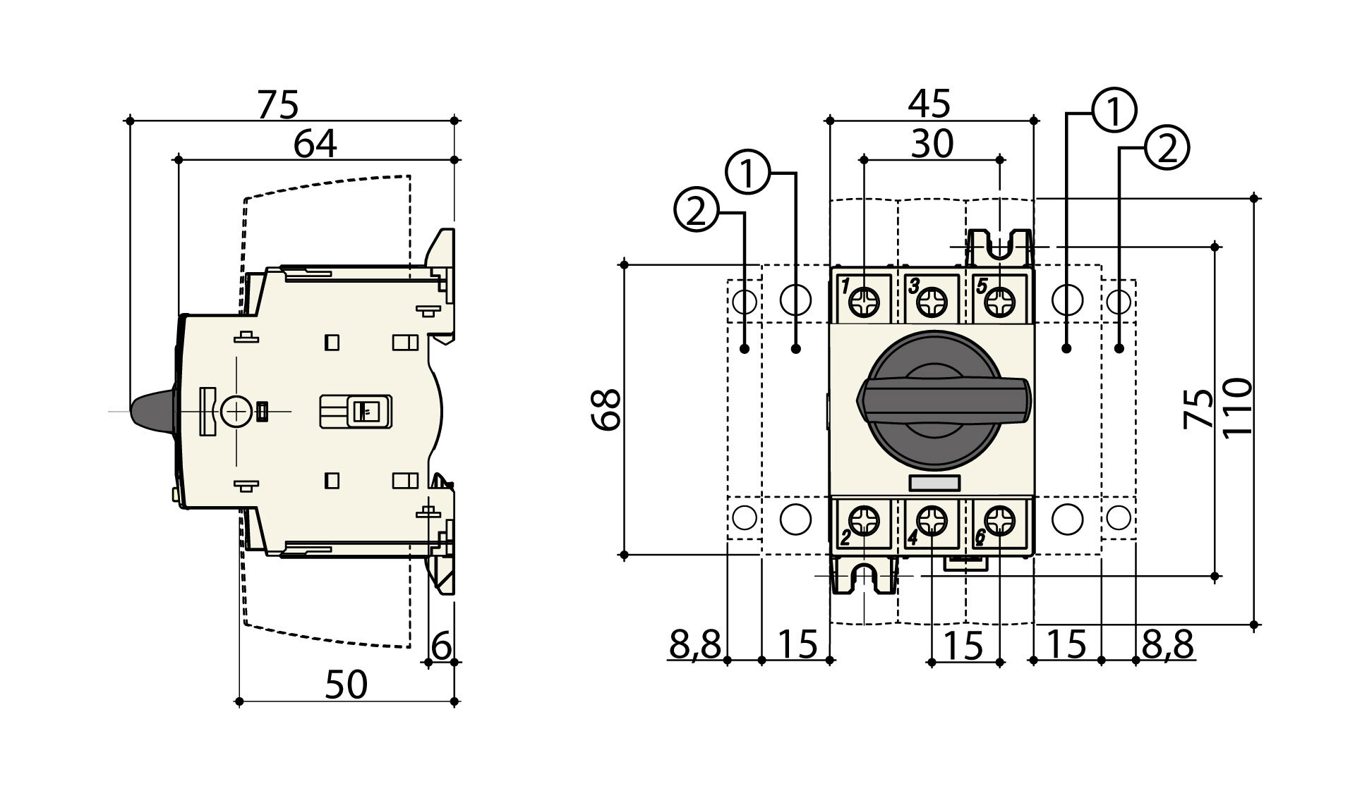
Interruptor seccionador modular 3P 40A serie M5. Aparato base (sin mando) fijación carril DIN o fondo armario compatible con cajas modulares. Medidas 75x45x64. Conexionado por borne de jaula 1,5-16 mm2. Múltiples posibilidades de accesorios.
Código 024MN55241-0
EAN 8430892197366
Datos técnicos
Norma IEC 60947-3

¿QUIERES SABER MÁS DE ESTE PRODUCTO?

De acuerdo con la la Ley Orgánica 3/2018, de 5 de diciembre, de Protección de Datos Personales y Garantía de los Derechos Digitales (LOPDGDD), los datos personales recogidos en el presente formulario serán objeto de tratamiento por parte de GAVE con la finalidad de ponernos en contacto con usted y ofrecer una respuesta a las consultas planteadas por medio del presente formulario. La base legal para el tratamiento de sus datos es su consentimiento, el desarrollo de medidas precontractuales o contractuales, el cumplimiento de obligaciones legales y/o el interés legítimo de GAVE.

Se podrán ejercer los derechos de acceso, supresión, rectificación, oposición, portabilidad o limitación mediante correo electrónico a rgpd@gave.org. Puede contactar con nuestro delegado de protección de datos en dpd@gave.com.

En todo caso, los interesados tienen el derecho de presentar una reclamación ante la Autoridad de Protección de Datos correspondiente. Los datos personales proporcionados se conservarán por el periodo legal o contractualmente previsto, o mientras se mantenga el consentimiento del interesado. No se hará cesión de los datos recogidos, excepto por obligación legal o cesiones autorizadas por ley. Rogamos comunique de forma inmediata cualquier cambio o modificación que se produzca en relación a los datos que nos ha proporcionado, con el fin de que estos respondan con veracidad a su situación personal en todo momento.