55HPV3025

INTERRUPTOR PV 3P 250A 1500VDC
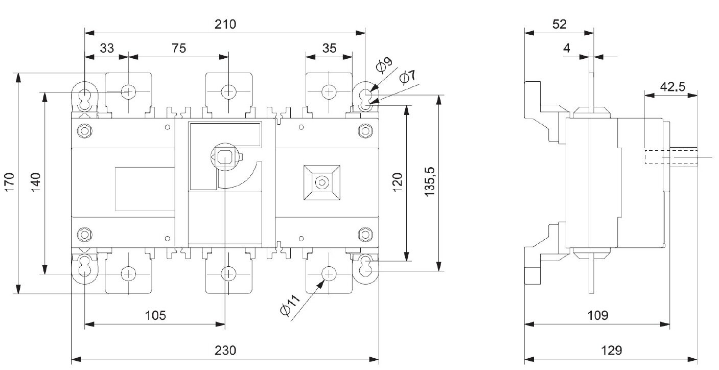
Interruptor-seccionador 250A 1500Vdc. Cuerpo B4T de 3 polos (1 polaridad con dos polos en serie) tamaño 170x230x105. Corte plenamente aparente. Las altas prestaciones de los materiales utilizados le confieren una alta resistencia térmica y dinámica. Conexionado con terminales M10. Suministrado sin mando se puede utilizar con múltiples tipos de mandos y múltiples accesorios como puentes de seriado, pantallas de protección, ejes prolongados,..
Código 01755HPV3025
Datos técnicos
Nr. Polos 3
Intensidad de empleo (Ie) 250 A
Intensidad térmica al aire (Ith) 250 A
Tensión de impulso (Uimp) 12 kV
Sección del conductor

240 mm2

Sección mín. pletinas Cu

32 mm

Par de apriete 20/- Nm
Intensidad admisible 1s (Icw) 5 kA

¿QUIERES SABER MÁS DE ESTE PRODUCTO?

De acuerdo con la la Ley Orgánica 3/2018, de 5 de diciembre, de Protección de Datos Personales y Garantía de los Derechos Digitales (LOPDGDD), los datos personales recogidos en el presente formulario serán objeto de tratamiento por parte de GAVE con la finalidad de ponernos en contacto con usted y ofrecer una respuesta a las consultas planteadas por medio del presente formulario. La base legal para el tratamiento de sus datos es su consentimiento, el desarrollo de medidas precontractuales o contractuales, el cumplimiento de obligaciones legales y/o el interés legítimo de GAVE.

Se podrán ejercer los derechos de acceso, supresión, rectificación, oposición, portabilidad o limitación mediante correo electrónico a rgpd@gave.org. Puede contactar con nuestro delegado de protección de datos en dpd@gave.com.

En todo caso, los interesados tienen el derecho de presentar una reclamación ante la Autoridad de Protección de Datos correspondiente. Los datos personales proporcionados se conservarán por el periodo legal o contractualmente previsto, o mientras se mantenga el consentimiento del interesado. No se hará cesión de los datos recogidos, excepto por obligación legal o cesiones autorizadas por ley. Rogamos comunique de forma inmediata cualquier cambio o modificación que se produzca en relación a los datos que nos ha proporcionado, con el fin de que estos respondan con veracidad a su situación personal en todo momento.