A-7631000

CONMUTADOR AMPERIMETRO 4CIRCUITOS DIRECTO 16A.D0
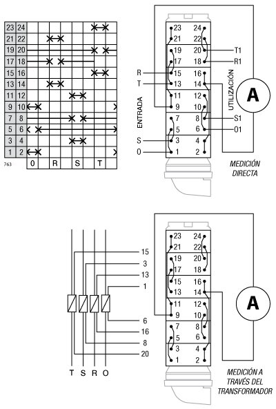
Conmutador de amperimetro 3 circuitos (directo o con transformador) , IP20 con carátula 0-R-S-T color gris 48x48 para fijación panel. 16A.Tamaño D0. Mando ergonómico de montaje rápido sin tornillos. Conexionado con bornes de jaula para cable 2,5-6 mm². Compatible con múltiples accesorios de la serie A5.
Código 009A-7631000
EAN 8430892106917
Dimensiones
Datos logísticos
Código arancelario 85365080
Código Etim EC002611
Unidades embalaje 1
Alto embalaje (mm) 62
Ancho embalaje (mm) 50
Largo embalaje (mm) 130
Datos técnicos
Nr. Polos NA/NA
Intensidad de empleo (Ie) 16 A
Intensidad térmica al aire (Ith) 20 A
Sección de cable (AWG) 10
Hilo rígido 2,5 - 6 mm2
Cable flexible 2,5 - 6 mm2
Par de apriete 1,6 Nm
Tornillos de conexión M4
Terminal Terminal
Calibre máx. de fusible gG/aM

25/25 A (415 V)

25/25 A (500 V)

Intensidad eficaz de cortocircuito (Icc)

6 kA (415 V)

6 kA (500 V)

Tensión de aislamiento (V~) 690
Tensión de aislamiento (V...) 400
Cargas resistivas AC-21A

5,5 kW (3x230 V)

11 kW (3x415 V)

15 kW (3x500 V)

Cargas mixtas AC-22A

4 kW (3x230 V)

7,5 kW (3x415 V)

11 kW (3x500 V)

Carga de motores AC-23A

3 kW (3x230 V)

5,5 kW (3x415 V)

7,5 kW (3x500 V)

UL 508 Manual motor controller

1,5 hp 1-fase (110-120 V)

2 hp 1-fase (220-240 V)

2 hp 3-fase (220-240 V)

2 hp 3-fase (380-415 V)

3 hp 3-fase (440-480 V)

5 hp 3-fase (550-600 V)

Norma

IEC 60947-3

UL 508

Tipo de mando Directo

¿QUIERES SABER MÁS DE ESTE PRODUCTO?

De acuerdo con la la Ley Orgánica 3/2018, de 5 de diciembre, de Protección de Datos Personales y Garantía de los Derechos Digitales (LOPDGDD), los datos personales recogidos en el presente formulario serán objeto de tratamiento por parte de GAVE con la finalidad de ponernos en contacto con usted y ofrecer una respuesta a las consultas planteadas por medio del presente formulario. La base legal para el tratamiento de sus datos es su consentimiento, el desarrollo de medidas precontractuales o contractuales, el cumplimiento de obligaciones legales y/o el interés legítimo de GAVE.

Se podrán ejercer los derechos de acceso, supresión, rectificación, oposición, portabilidad o limitación mediante correo electrónico a rgpd@gave.org. Puede contactar con nuestro delegado de protección de datos en dpd@gave.com.

En todo caso, los interesados tienen el derecho de presentar una reclamación ante la Autoridad de Protección de Datos correspondiente. Los datos personales proporcionados se conservarán por el periodo legal o contractualmente previsto, o mientras se mantenga el consentimiento del interesado. No se hará cesión de los datos recogidos, excepto por obligación legal o cesiones autorizadas por ley. Rogamos comunique de forma inmediata cualquier cambio o modificación que se produzca en relación a los datos que nos ha proporcionado, con el fin de que estos respondan con veracidad a su situación personal en todo momento.